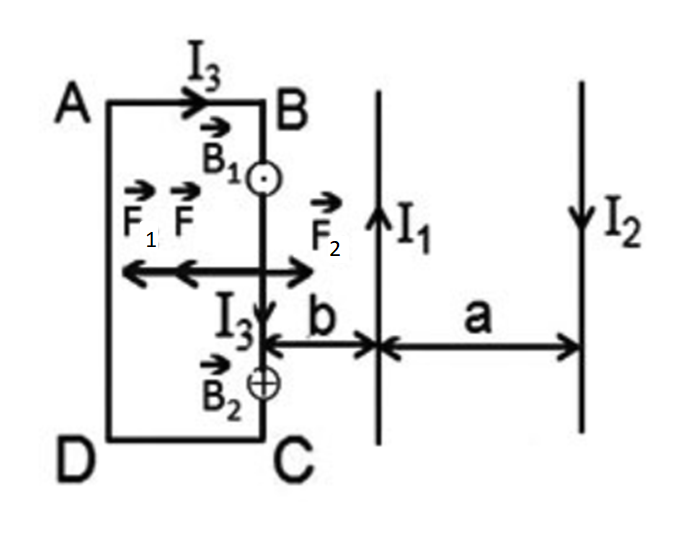
Cho hai dây dẫn thẳng, dài, song song và một khung dây hình chữ nhật cùng nằm trong một mặt
Cho hai dây dẫn thẳng, dài, song song và một khung dây hình chữ nhật cùng nằm trong một mặt phẵng đặt trong không khí và có các dòng điện chạy qua như hình vẽ.
Biết I1 = 15A; I2 = 10A; I3 = 4A; a = 15cm; b = 10 cm; AB = 15 cm; BC = 20cm. Xác định lực từ do từ trường của hai dòng điện chạy trong hai dây dẫn thẳng tác dụng lên cạnh BC của khung dây.
Quảng cáo
>> 2K9 Chú ý! Lộ Trình Sun 2027 - 1 lộ trình ôn đa kỳ thi (TN THPT, ĐGNL (Hà Nội/ Hồ Chí Minh), ĐGNL Sư Phạm, ĐGTD, ĐGNL Bộ Công an, ĐGNL Bộ Quốc phòngTD - Click xem ngay) tại Tuyensinh247.com. Cập nhật bám sát bộ SGK mới, Thầy Cô giáo giỏi, 3 bước chi tiết: Nền tảng lớp 12; Luyện thi chuyên sâu; Luyện đề đủ dạng đáp ứng mọi kì thi.
![]() |
![]() |
![]() |
![]() |
![]() |
![]() |
![]() |
![]() |
Hỗ trợ - Hướng dẫn
-
024.7300.7989
-
1800.6947
(Thời gian hỗ trợ từ 7h đến 22h)
Email: lienhe@tuyensinh247.com













