Trong sơ đồ khối của máy phát thanh vô tuyến đơn giản không có bộ phận nào sau đây?
Trong sơ đồ khối của máy phát thanh vô tuyến đơn giản không có bộ phận nào sau đây?
Đáp án đúng là: A
Quảng cáo
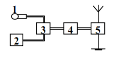
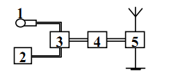
Vận dụng sơ đồ khối của máy phát thanh vô tuyến:
1 - Micro: Tạo ra dao động điện từ âm tần.
2 - Mạch phát sóng điện từ cao tần: Phát sóng điện từ có tần số cao.
3 - Mạch biến điệu: Trộn dao động điện từ cao tần với dao động điện từ âm tần.
4 - Mạch khuếch đại: Khuếch đại dao động điện từ cao tần đã được biến điệu.
5 - Anten phát: Tạo ra điện từ trường cao tần lan truyền trong không gian.
Đáp án cần chọn là: A
>> 2K9 Chú ý! Lộ Trình Sun 2027 - 1 lộ trình ôn đa kỳ thi (TN THPT, ĐGNL (Hà Nội/ Hồ Chí Minh), ĐGNL Sư Phạm, ĐGTD, ĐGNL Bộ Công an, ĐGNL Bộ Quốc phòngTD - Click xem ngay) tại Tuyensinh247.com. Cập nhật bám sát bộ SGK mới, Thầy Cô giáo giỏi, 3 bước chi tiết: Nền tảng lớp 12; Luyện thi chuyên sâu; Luyện đề đủ dạng đáp ứng mọi kì thi.
![]() |
![]() |
![]() |
![]() |
![]() |
![]() |
![]() |
![]() |
Hỗ trợ - Hướng dẫn
-
024.7300.7989
-
1800.6947
(Thời gian hỗ trợ từ 7h đến 22h)
Email: lienhe@tuyensinh247.com












