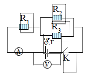
Cho mạch điện có sơ đồ như hình vẽ: Biết R2 = 2\(\Omega \),R3 = 3\(\Omega \). Khi K mở, vôn kế
Cho mạch điện có sơ đồ như hình vẽ:

Biết R2 = 2\(\Omega \),R3 = 3\(\Omega \). Khi K mở, vôn kế chỉ 6V. Khi K đóng vôn kế chỉ 5,6V và ampe kế chỉ 2A.
Điện trở R1 có giá trị là:
Đáp án đúng là: A
Quảng cáo
Phương pháp:
+ Áp dụng biểu thức xác định điện trở tương đương của mạch
+ Áp dụng biểu thức độ giảm thế trên đoạn mạch: UN = I.RN = E - I.r
Đáp án cần chọn là: A
>> 2K8 Chú ý! Lộ Trình Sun 2026 - 3IN1 - 1 lộ trình ôn 3 kì thi (Luyện thi 26+ TN THPT, 90+ ĐGNL HN, 900+ ĐGNL HCM, 70+ ĐGTD - Click xem ngay) tại Tuyensinh247.com.Đầy đủ theo 3 đầu sách, Thầy Cô giáo giỏi, luyện thi theo 3 giai đoạn: Nền tảng lớp 12, Luyện thi chuyên sâu, Luyện đề đủ dạng đáp ứng mọi kì thi.
![]() |
![]() |
![]() |
![]() |
![]() |
![]() |
![]() |
![]() |
Hỗ trợ - Hướng dẫn
-
024.7300.7989
-
1800.6947
(Thời gian hỗ trợ từ 7h đến 22h)
Email: lienhe@tuyensinh247.com












