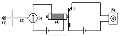
Dưới đây là sơ đồ mạch điện còi báo động. Các kí hiệu trong sơ đồ như sau: (1) Đèn; (2)
Dưới đây là sơ đồ mạch điện còi báo động. Các kí hiệu trong sơ đồ như sau: (1) Đèn; (2) Chùm sáng; (3) Quang trở; (4) Rơ le điện từ; (5) Còi báo động. Role điện từ dùng để đóng, ngắt khóa K. Nó chỉ hoạt động khi cường độ dòng điện qua nó đủ lớn. Chọn phương án đúng:

Đáp án đúng là: B
Quảng cáo
Sử dụng lí thuyết về cấu tạo và nguyên tắc hoạt động của rơ-le.
Đáp án cần chọn là: B
>> 2K9 Chú ý! Lộ Trình Sun 2027 - 1 lộ trình ôn đa kỳ thi (TN THPT, ĐGNL (Hà Nội/ Hồ Chí Minh), ĐGNL Sư Phạm, ĐGTD, ĐGNL Bộ Công an, ĐGNL Bộ Quốc phòngTD - Click xem ngay) tại Tuyensinh247.com. Cập nhật bám sát bộ SGK mới, Thầy Cô giáo giỏi, 3 bước chi tiết: Nền tảng lớp 12; Luyện thi chuyên sâu; Luyện đề đủ dạng đáp ứng mọi kì thi.
![]() |
![]() |
![]() |
![]() |
![]() |
![]() |
![]() |
![]() |
Hỗ trợ - Hướng dẫn
-
024.7300.7989
-
1800.6947
(Thời gian hỗ trợ từ 7h đến 22h)
Email: lienhe@tuyensinh247.com












