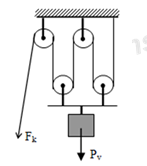
Cần dùng một Pa – lăng gồm mấy ròng rọc động và công thực hiện là bao nhiêu khi kéo một
Cần dùng một Pa – lăng gồm mấy ròng rọc động và công thực hiện là bao nhiêu khi kéo một lực \(20\,\,N\) mà có thể nâng một vật có trọng lượng \(80\,\,N\) lên cao \(3\,\,m\). Bỏ qua mọi ma sát.
Đáp án đúng là: A
Quảng cáo
Pa – lăng có n ròng rọc động được lợi 2n lần về lực, và bị thiệt 2n lần về đường đi
Công của lực: \(A = F.s\)
Đáp án cần chọn là: A
>> Học trực tuyến lớp 8 trên Tuyensinh247.com. Đầy đủ khoá học các bộ sách: Kết nối tri thức với cuộc sống; Chân trời sáng tạo; Cánh diều. Cam kết giúp học sinh lớp 8 học tốt, hoàn trả học phí nếu học không hiệu quả. PH/HS tham khảo chi tiết khoá học tại: Link
![]() |
![]() |
![]() |
![]() |
![]() |
![]() |
Hỗ trợ - Hướng dẫn
-
024.7300.7989
-
1800.6947
(Thời gian hỗ trợ từ 7h đến 22h)
Email: lienhe@tuyensinh247.com











