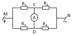
Cho mạch điện như hình vẽ. Biết \({R_1} = {R_3} = 8\,\,\Omega ;\,\,{R_2} = {R_4} = 10\,\,\Omega \). Tính
Cho mạch điện như hình vẽ. Biết \({R_1} = {R_3} = 8\,\,\Omega ;\,\,{R_2} = {R_4} = 10\,\,\Omega \). Tính điện trở tương đương \(R_{MN}\) của mạch.
Đáp án đúng là: B
Quảng cáo
Ampe kế lí tưởng được coi là một dây dẫn, có thể chập hai đầu ampe kế
Vẽ lại mạch điện tương đương
Điện trở của đoạn mạch mắc nối tiếp: \({R_{nt}} = {R_1} + {R_2} + ...\)
Điện trở của đoạn mạch mắc song song: \(\dfrac{1}{{{R_{//}}}} = \dfrac{1}{{{R_1}}} + \dfrac{1}{{{R_2}}} + ...\)
Đáp án cần chọn là: B
>> Học trực tuyến lớp 9 và Lộ trình UP10 trên Tuyensinh247.com Đầy đủ khoá học các bộ sách: Kết nối tri thức với cuộc sống; Chân trời sáng tạo; Cánh diều. Lộ trình học tập 3 giai đoạn: Học nền tảng lớp 9, Ôn thi vào lớp 10, Luyện Đề. Bứt phá điểm lớp 9, thi vào lớp 10 kết quả cao. Hoàn trả học phí nếu học không hiệu quả. PH/HS tham khảo chi tiết khoá học tại: Link
![]() |
![]() |
![]() |
![]() |
![]() |
![]() |
Hỗ trợ - Hướng dẫn
-
024.7300.7989
-
1800.6947
(Thời gian hỗ trợ từ 7h đến 22h)
Email: lienhe@tuyensinh247.com










