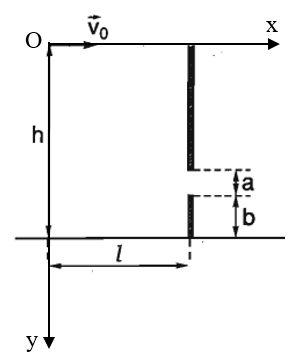
Từ một điểm ở độ cao h = 18 m so với mặt đất và cách tường nhà một khoảng l = 3 m,
Từ một điểm ở độ cao h = 18 m so với mặt đất và cách tường nhà một khoảng l = 3 m, người ta ném một hòn sỏi theo phương nằm ngang với vận tốc ban đầu \({v_0}\). Trên tường có một cửa sổ có chiều cao a = 1 m, mép dưới cửa sổ cách mặt đất một khoảng b = 2 m (hình vẽ). Hỏi giá trị của \({v_0}\) phải nằm trong giới hạn nào để hòn sỏi lọt qua cửa sổ? Bỏ qua bề dày của bức tường.

Đáp án đúng là: A
Quảng cáo
Phương trình quỹ đạo của chuyển động ném ngang: \(y = \dfrac{g}{{2{v_0}^2}}{x^2}\)
Hòn sỏi lọt qua được cửa sổ khi: \(\left\{ \begin{array}{l}x = l\\h - a - b \le y \le h - b\end{array} \right.\)
Đáp án cần chọn là: A
>> Học trực tuyến Lớp 10 cùng thầy cô giáo giỏi tại Tuyensinh247.com, (Xem ngay) Cam kết giúp học sinh học tốt, bứt phá điểm 9,10 chỉ sau 3 tháng, làm quen kiến thức, định hướng luyện thi TN THPT, ĐGNL, ĐGTD ngay từ lớp 10
![]() |
![]() |
![]() |
![]() |
![]() |
![]() |
![]() |
![]() |
Hỗ trợ - Hướng dẫn
-
024.7300.7989
-
1800.6947
(Thời gian hỗ trợ từ 7h đến 22h)
Email: lienhe@tuyensinh247.com













