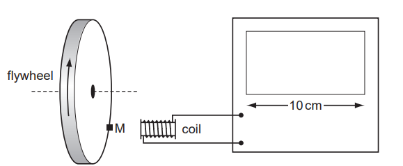
Sơ đồ cho thấy máy dao động ký điện tử (c.r.o) được sử dụng để đo tốc độ quay của
Sơ đồ cho thấy máy dao động ký điện tử (c.r.o) được sử dụng để đo tốc độ quay của bánh đà. Bánh đà có một nam châm nhỏ M gắn trên đó. Mỗi lần nam châm đi qua vị trí cuộn dây, một xung điện áp được tạo ra, được truyền đến dao động ký. Màn hình hiển thị của dao động ký rộng 10 cm. Bánh đà đang quay với tốc độ khoảng 3000 vòng/phút.

Cài đặt cơ sở thời gian nào sẽ hiển thị rõ ràng các xung riêng biệt trên màn hình?
Đáp án đúng là: B
Quảng cáo
Chu kì: \(T = \dfrac{1}{f}\)
Đáp án cần chọn là: B
>> 2K9 Chú ý! Lộ Trình Sun 2027 - 1 lộ trình ôn đa kỳ thi (TN THPT, ĐGNL (Hà Nội/ Hồ Chí Minh), ĐGNL Sư Phạm, ĐGTD, ĐGNL Bộ Công an, ĐGNL Bộ Quốc phòngTD - Click xem ngay) tại Tuyensinh247.com. Cập nhật bám sát bộ SGK mới, Thầy Cô giáo giỏi, 3 bước chi tiết: Nền tảng lớp 12; Luyện thi chuyên sâu; Luyện đề đủ dạng đáp ứng mọi kì thi.
![]() |
![]() |
![]() |
![]() |
![]() |
![]() |
![]() |
![]() |
Hỗ trợ - Hướng dẫn
-
024.7300.7989
-
1800.6947
(Thời gian hỗ trợ từ 7h đến 22h)
Email: lienhe@tuyensinh247.com












