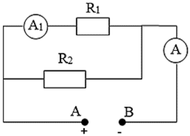
Cho mạch điện có sơ đồ như hình vẽ, trong đó \({R_1} = 5\Omega ,{R_2} = 10\Omega \),
Cho mạch điện có sơ đồ như hình vẽ, trong đó \({R_1} = 5\Omega ,{R_2} = 10\Omega \), ampe kế \({A_1}\) chỉ 0,6A.

| Đúng | Sai | |
|---|---|---|
| a) Điện trở \({R_1}\) mắc nối tiếp với điện trở \({R_2}\) | ||
| b) Cường độ dòng điện chạy qua điện trở \({R_1}\) là 0,6 A. | ||
| c) Hiệu điện thế giữa hai đầu AB của đoạn mạch là 6 V. | ||
| d) Số chỉ của ampe kế A là 0,6 A. |
Đáp án đúng là: S; Đ; S; S
Quảng cáo
Mạch gồm hai điện trở mắc song song: \(\left\{ \begin{array}{l}{R_{td}} = \dfrac{{{R_1}{R_2}}}{{{R_1} + {R_2}}}\\U = {U_1} = {U_2}\\I = {I_1} + {I_2}\end{array} \right.\)
Định luật Ôm: \(I = \dfrac{U}{R}\)
Đáp án cần chọn là: S; Đ; S; S
>> Học trực tuyến lớp 9 và Lộ trình UP10 trên Tuyensinh247.com Đầy đủ khoá học các bộ sách: Kết nối tri thức với cuộc sống; Chân trời sáng tạo; Cánh diều. Lộ trình học tập 3 giai đoạn: Học nền tảng lớp 9, Ôn thi vào lớp 10, Luyện Đề. Bứt phá điểm lớp 9, thi vào lớp 10 kết quả cao. Hoàn trả học phí nếu học không hiệu quả. PH/HS tham khảo chi tiết khoá học tại: Link
![]() |
![]() |
![]() |
![]() |
![]() |
![]() |
Hỗ trợ - Hướng dẫn
-
024.7300.7989
-
1800.6947
(Thời gian hỗ trợ từ 7h đến 22h)
Email: lienhe@tuyensinh247.com










