Một cục pin có suất điện động 6,0 V và điện trở trong không đáng kể
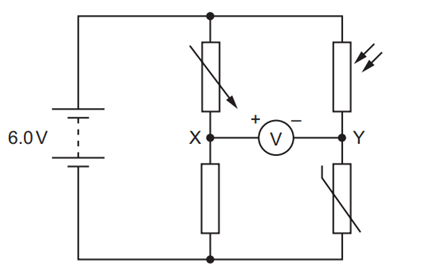
Một cục pin có suất điện động 6,0 V và điện trở trong không đáng kể được mắc với một vôn kế và bốn thành phần khác theo sơ đồ trong hình. Vôn kế được nối giữa các điểm X và Y. Cực dương của vôn kế được nối với X và cực âm nối với Y.

Ban đầu, điện trở của bốn thành phần đều là \(1,0\,\,k\Omega \).
Sự thay đổi nào, sẽ khiến vôn kế hiển thị giá trị dương?
Đáp án đúng là: A
Quảng cáo
Áp dụng tính chất của mạch cầu phân áp. Phân tích sự thay đổi điện thế tại các nút khi điện trở các linh kiện thay đổi dưới tác động của môi trường.
Đáp án cần chọn là: A
>> 2K9 Chú ý! Lộ Trình Sun 2027 - 1 lộ trình ôn đa kỳ thi (TN THPT, ĐGNL (Hà Nội/ Hồ Chí Minh), ĐGNL Sư Phạm, ĐGTD, ĐGNL Bộ Công an, ĐGNL Bộ Quốc phòngTD - Click xem ngay) tại Tuyensinh247.com. Cập nhật bám sát bộ SGK mới, Thầy Cô giáo giỏi, 3 bước chi tiết: Nền tảng lớp 12; Luyện thi chuyên sâu; Luyện đề đủ dạng đáp ứng mọi kì thi.
![]() |
![]() |
![]() |
![]() |
![]() |
![]() |
![]() |
![]() |
Hỗ trợ - Hướng dẫn
-
024.7300.7989
-
1800.6947
(Thời gian hỗ trợ từ 7h đến 22h)
Email: lienhe@tuyensinh247.com












