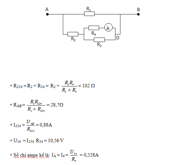
Cho mạch điện như hình vẽ (Hình 1). UAB = 90V; R1 = 40W; R2 = 90W; R4 = 20W; R3 là một biến trở. Bỏ
Cho mạch điện như hình vẽ (Hình 1). UAB = 90V; R1 = 40W; R2 = 90W; R4 = 20W; R3 là một biến trở. Bỏ qua điện trở của ampe kế, dây nối và khoá K.
a) Cho R3 = 30W. Tính điện trở tương đương của đoạn mạch AB và số chỉ của ampe kế trong hai trường hợp:
a1) Khóa K mở.
a2) Khóa K đóng.
b) Tìm R3 để số chỉ của ampe kế khi K mở bằng 3 lần số chỉ của ampe kế khi K đóng.
c) Khi K đóng. Tìm R3 để công suất tiêu thụ trên R3 đạt cực đại. Tính công suất cực đại đó.
Đáp án đúng là: D
Quảng cáo
Đáp án cần chọn là: D
>> Học trực tuyến lớp 9 và Lộ trình UP10 trên Tuyensinh247.com Đầy đủ khoá học các bộ sách: Kết nối tri thức với cuộc sống; Chân trời sáng tạo; Cánh diều. Lộ trình học tập 3 giai đoạn: Học nền tảng lớp 9, Ôn thi vào lớp 10, Luyện Đề. Bứt phá điểm lớp 9, thi vào lớp 10 kết quả cao. Hoàn trả học phí nếu học không hiệu quả. PH/HS tham khảo chi tiết khoá học tại: Link
![]() |
![]() |
![]() |
![]() |
![]() |
![]() |
Hỗ trợ - Hướng dẫn
-
024.7300.7989
-
1800.6947
(Thời gian hỗ trợ từ 7h đến 22h)
Email: lienhe@tuyensinh247.com










