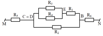
Cho mạch điện như hình vẽ. Các điện trở \({R_1} = {R_2} = {R_3} = {R_4} = {R_5} = {R_6} = R = 6\Omega ;U
Cho mạch điện như hình vẽ. Các điện trở \({R_1} = {R_2} = {R_3} = {R_4} = {R_5} = {R_6} = R = 6\Omega ;U = 39V\). Ampe kế có điện trở không đáng kể. Xác định số chỉ của Ampe kế?
Đáp án đúng là: B
Quảng cáo
Vẽ lại mạch điện tương đương
Tính cường độ dòng điện qua các điện trở
Áp dụng định lí nút: Tổng các cường độ dòng điện đến một nút bằng tổng các cường độ dòng điện ra khỏi nút đó.
Đáp án cần chọn là: B
>> Học trực tuyến lớp 9 và Lộ trình UP10 trên Tuyensinh247.com Đầy đủ khoá học các bộ sách: Kết nối tri thức với cuộc sống; Chân trời sáng tạo; Cánh diều. Lộ trình học tập 3 giai đoạn: Học nền tảng lớp 9, Ôn thi vào lớp 10, Luyện Đề. Bứt phá điểm lớp 9, thi vào lớp 10 kết quả cao. Hoàn trả học phí nếu học không hiệu quả. PH/HS tham khảo chi tiết khoá học tại: Link
![]() |
![]() |
![]() |
![]() |
![]() |
![]() |
Hỗ trợ - Hướng dẫn
-
024.7300.7989
-
1800.6947
(Thời gian hỗ trợ từ 7h đến 22h)
Email: lienhe@tuyensinh247.com










