Cho mạch điện như hình vẽ, biết \(U = 4,2V;\,\,{R_1} = 1\Omega ;\,\,{R_2} = 2\Omega ;\,\,{R_3} = 3\Omega
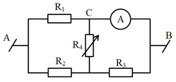
Cho mạch điện như hình vẽ, biết \(U = 4,2V;\,\,{R_1} = 1\Omega ;\,\,{R_2} = 2\Omega ;\,\,{R_3} = 3\Omega ;\,\,{R_4}\) là một biến trở. Ampe kế có điện trở không đáng kể. Điều chỉnh \({R_4}\) để công suất tỏa nhiệt của nó đạt giá trị cực đại. Tìm \({R_4}\) và số chỉ của Ampe kế khi đó.
Đáp án đúng là: A
Quảng cáo
Vẽ lại mạch điện tương đương
Điện trở tương đương của đoạn mạch nối tiếp: \({R_{nt}} = {R_1} + {R_2}\)
Điện trở tương đương của đoạn mạch song song: \({R_{//}} = \dfrac{{{R_1}.{R_2}}}{{{R_1} + {R_2}}}\)
Cường độ dòng điện: \(I = \dfrac{U}{R}\)
Công suất tiêu thụ: \(P = {I^2}R = \dfrac{{{U^2}}}{R}\)
Bất đẳng thức Cô – si: \(a + b \ge 2\sqrt {ab} \) (dấu “=” xảy ra \( \Leftrightarrow a = b\))
Định lí nút tại C: \({I_A} = {I_1} + {I_4}\)
Đáp án cần chọn là: A
>> Học trực tuyến lớp 9 và Lộ trình UP10 trên Tuyensinh247.com Đầy đủ khoá học các bộ sách: Kết nối tri thức với cuộc sống; Chân trời sáng tạo; Cánh diều. Lộ trình học tập 3 giai đoạn: Học nền tảng lớp 9, Ôn thi vào lớp 10, Luyện Đề. Bứt phá điểm lớp 9, thi vào lớp 10 kết quả cao. Hoàn trả học phí nếu học không hiệu quả. PH/HS tham khảo chi tiết khoá học tại: Link
![]() |
![]() |
![]() |
![]() |
![]() |
![]() |
Hỗ trợ - Hướng dẫn
-
024.7300.7989
-
1800.6947
(Thời gian hỗ trợ từ 7h đến 22h)
Email: lienhe@tuyensinh247.com










