Điện năng được truyền tải từ máy hạ áp A đến máy hạ áp B bằng đường dây tải điện
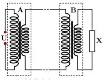
Điện năng được truyền tải từ máy hạ áp A đến máy hạ áp B bằng đường dây tải điện một pha như sơ đồ hình bên. Cuộn sơ cấp của A được nối với điện áp xoay chiều có giá trị hiệu dụng U không đổi, cuộn thứ cấp của B được nối với tải tiêu thụ X. Gọi tỉ số giữa số vòng dây của cuộn sơ cấp và số vòng dây của cuộn thứ cấp của A là \({k_1}\), tỉ số giữa số vòng dây của cuộn sơ cấp và số vòng dây của cuộn thứ cấp của B là \({k_2}\). Ở tải tiêu thụ, điện áp hiệu dụng như nhau, công suất tiêu thụ điện như nhau trong hai trường hợp: \({k_1} = 32\) và \({k_2} = 68\) hoặc \({k_1} = 14\) và \({k_2} = 162\). Coi các máy hạ áp là lí tưởng, hệ số công suất của các mạch điện luôn bằng 1. Khi \({k_1} = 32\) và \({k_2} = 68\) thì hiệu suất truyền tải điện năng từ A đến B là:

Đáp án đúng là: B
Quảng cáo
Công thức máy biến áp: \(\dfrac{{{U_1}}}{{{U_2}}} = \dfrac{{{N_1}}}{{{N_2}}}\)
Sử dụng phương pháp 3 cột với U
Công suất tiêu thụ: \({P_{tt}} = {U_{tt}}.I.\cos {\varphi _{tt}} = {U_{tt}}.\dfrac{{\Delta U}}{R}\cos {\varphi _{tt}}\)
Đáp án cần chọn là: B
>> 2K8 Chú ý! Lộ Trình Sun 2026 - 3IN1 - 1 lộ trình ôn 3 kì thi (Luyện thi 26+ TN THPT, 90+ ĐGNL HN, 900+ ĐGNL HCM, 70+ ĐGTD - Click xem ngay) tại Tuyensinh247.com.Đầy đủ theo 3 đầu sách, Thầy Cô giáo giỏi, luyện thi theo 3 giai đoạn: Nền tảng lớp 12, Luyện thi chuyên sâu, Luyện đề đủ dạng đáp ứng mọi kì thi.
![]() |
![]() |
![]() |
![]() |
![]() |
![]() |
![]() |
![]() |
Hỗ trợ - Hướng dẫn
-
024.7300.7989
-
1800.6947
(Thời gian hỗ trợ từ 7h đến 22h)
Email: lienhe@tuyensinh247.com













