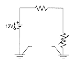
Một đồng hồ xăng cho một xe ô tô có giản đồ như hình vẽ. Chỉ thị ở trên bảng điều
Một đồng hồ xăng cho một xe ô tô có giản đồ như hình vẽ. Chỉ thị ở trên bảng điều khiển có điện trở \(10\Omega \). Phần nằm trong bình xăng đơn giản là một phao nối với điện trở có giá trị thay đổi được một cách tuyến tính theo thể tích của xăng từ \(20\Omega \) khi bình đầy đến \(140\Omega \), khi hết xăng. Tính dòng điện trong mạch khi bình đầy một nửa.

Đáp án đúng là: D
Quảng cáo
Phương trình tuyến tính (hay phương trình bậc nhất): \(y = ax + b\)
Cường độ dòng điện: \(I = \dfrac{U}{R}\)
Đáp án cần chọn là: D
>> 2K9 Chú ý! Lộ Trình Sun 2027 - 1 lộ trình ôn đa kỳ thi (TN THPT, ĐGNL (Hà Nội/ Hồ Chí Minh), ĐGNL Sư Phạm, ĐGTD, ĐGNL Bộ Công an, ĐGNL Bộ Quốc phòngTD - Click xem ngay) tại Tuyensinh247.com. Cập nhật bám sát bộ SGK mới, Thầy Cô giáo giỏi, 3 bước chi tiết: Nền tảng lớp 12; Luyện thi chuyên sâu; Luyện đề đủ dạng đáp ứng mọi kì thi.
![]() |
![]() |
![]() |
![]() |
![]() |
![]() |
![]() |
![]() |
Hỗ trợ - Hướng dẫn
-
024.7300.7989
-
1800.6947
(Thời gian hỗ trợ từ 7h đến 22h)
Email: lienhe@tuyensinh247.com












