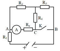
Cho mạch điện như hình vẽ, \({R_1} = 10\Omega ;\,\,{R_2} = 4\Omega ;\,\,{R_3} = {R_4} = 12\Omega \), Ampe kế
Cho mạch điện như hình vẽ, \({R_1} = 10\Omega ;\,\,{R_2} = 4\Omega ;\,\,{R_3} = {R_4} = 12\Omega \), Ampe kế có điện trở không đáng kể, \({R_x}\) là một biến trở, \(U\) không đổi. Bỏ qua điện trở các dây nối và khóa K. Đóng khóa K, thay đổi giá trị của \({R_x}\) đến khi công suất tiêu thụ trên \({R_x}\) đạt cực đại thì Ampe kế chỉ \(3A\). Xác định hiệu điện thế \(U\)
Đáp án đúng là: B
Quảng cáo
Điện trở tương đương của đoạn mạch nối tiếp: \({R_{nt}} = {R_1} + {R_2}\)
Điện trở tương đương của đoạn mạch song song: \({R_{//}} = \dfrac{{{R_1}.{R_2}}}{{{R_1} + {R_2}}}\)
Cường độ dòng điện: \(I = \dfrac{U}{R}\)
Công suất tiêu thụ: \(P = {I^2}R = \dfrac{{{U^2}}}{R}\)
Bất đẳng thức Cô – si: \(a + b \ge 2\sqrt {ab} \) (dấu “=” xảy ra \( \Leftrightarrow a = b\))
Đáp án cần chọn là: B
>> Học trực tuyến lớp 9 và Lộ trình UP10 trên Tuyensinh247.com Đầy đủ khoá học các bộ sách: Kết nối tri thức với cuộc sống; Chân trời sáng tạo; Cánh diều. Lộ trình học tập 3 giai đoạn: Học nền tảng lớp 9, Ôn thi vào lớp 10, Luyện Đề. Bứt phá điểm lớp 9, thi vào lớp 10 kết quả cao. Hoàn trả học phí nếu học không hiệu quả. PH/HS tham khảo chi tiết khoá học tại: Link
![]() |
![]() |
![]() |
![]() |
![]() |
![]() |
Hỗ trợ - Hướng dẫn
-
024.7300.7989
-
1800.6947
(Thời gian hỗ trợ từ 7h đến 22h)
Email: lienhe@tuyensinh247.com










