Đặt điện áp xoay chiều \(u = U\sqrt 2 co{\rm{s}}\omega {\rm{t}}\) (với U và \(\omega \) không đổi) vào
Đặt điện áp xoay chiều \(u = U\sqrt 2 co{\rm{s}}\omega {\rm{t}}\) (với U và \(\omega \)
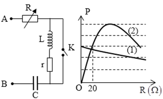
không đổi) vào hai đầu đoạn mạch AB như hình vẽ. Biết R là biến trở, cuộn cảm thuần có độ tự cảm L, tụ điện có điện dung C thỏa mãn \(LC{\omega ^2} = 2\). Đồ thị biểu diễn sự phụ thuộc của công suất tiêu thụ P của mạch vào R trong trường hợp K mở ứng với đường (1) và trong trường hợp K đóng ứng với đường (2) như hình vẽ. Giá trị của điện trở r bằng

Đáp án đúng là: C
Quảng cáo
+ Đọc đồ thị
+ Khi K đóng mạch gồm RC mắc nối tiếp.
+ Khi K mở mạch gồm RLrC mắc nối tiếp.
+ Vận dụng biểu thức tính công suất: \(P = UIco{\rm{s}}\varphi {\rm{ = }}\frac{{{U^2}}}{{{Z^2}}}R\)
Đáp án cần chọn là: C
>> 2K9 Chú ý! Lộ Trình Sun 2027 - 1 lộ trình ôn đa kỳ thi (TN THPT, ĐGNL (Hà Nội/ Hồ Chí Minh), ĐGNL Sư Phạm, ĐGTD, ĐGNL Bộ Công an, ĐGNL Bộ Quốc phòngTD - Click xem ngay) tại Tuyensinh247.com. Cập nhật bám sát bộ SGK mới, Thầy Cô giáo giỏi, 3 bước chi tiết: Nền tảng lớp 12; Luyện thi chuyên sâu; Luyện đề đủ dạng đáp ứng mọi kì thi.
![]() |
![]() |
![]() |
![]() |
![]() |
![]() |
![]() |
![]() |
Hỗ trợ - Hướng dẫn
-
024.7300.7989
-
1800.6947
(Thời gian hỗ trợ từ 7h đến 22h)
Email: lienhe@tuyensinh247.com













