Cho mạch điện như hình vẽ, dây có tiết diện đều, điện trở cuả đoạn dây có chiều dài
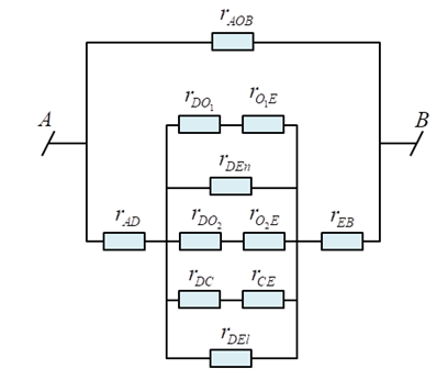
Cho mạch điện như hình vẽ, dây có tiết diện đều, điện trở cuả đoạn dây có chiều dài bằng bán kính vòng tròn là r. Dòng điện đi vào ở tâm một vòng tròn và đi ra ở tâm một vòng tròn khác. Tính điện trở của mạch trên mỗi hình.

Đáp án đúng là: B
Quảng cáo
Điện trở dây dẫn: \(R = \rho \dfrac{l}{S}\)
Sử dụng các phương pháp chuyển mạch đối với mạch điện đối xứng
Điện trở tương đương của đoạn mạch gồm n điện trở R mắc nối tiếp: \({R_{nt}} = nR\)
Điện trở tương đương của đoạn mạch gồm n điện trở R mắc song song: \({R_{//}} = \dfrac{R}{n}\)
Đáp án cần chọn là: B
>> Học trực tuyến lớp 9 và Lộ trình UP10 trên Tuyensinh247.com Đầy đủ khoá học các bộ sách: Kết nối tri thức với cuộc sống; Chân trời sáng tạo; Cánh diều. Lộ trình học tập 3 giai đoạn: Học nền tảng lớp 9, Ôn thi vào lớp 10, Luyện Đề. Bứt phá điểm lớp 9, thi vào lớp 10 kết quả cao. Hoàn trả học phí nếu học không hiệu quả. PH/HS tham khảo chi tiết khoá học tại: Link
![]() |
![]() |
![]() |
![]() |
![]() |
![]() |
Hỗ trợ - Hướng dẫn
-
024.7300.7989
-
1800.6947
(Thời gian hỗ trợ từ 7h đến 22h)
Email: lienhe@tuyensinh247.com














