Cho hệ thống cân bằng như hình vẽ sau. Các vật có khối lượng \({m_1} = {m_2} = {m_3} = m\) và
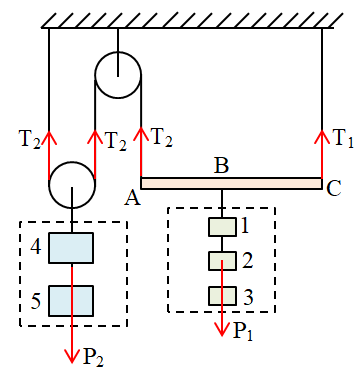
Cho hệ thống cân bằng như hình vẽ sau. Các vật có khối lượng \({m_1} = {m_2} = {m_3} = m\) và \({m_4} = {m_5} = 2m\). Tính đoạn AC, biết đoạn AB = 10 cm. Bỏ qua ma sát, khối lượng của thanh AC và của các dây treo.

Đáp án đúng là: C
Quảng cáo
Phân tích các lực tác dụng lên vật và lực căng dây
Momen lực: \(M = F.d\)
Hệ cân bằng khi: \({M_1} = {M_2}\)
Đáp án cần chọn là: C
>> Học trực tuyến lớp 9 và Lộ trình UP10 trên Tuyensinh247.com Đầy đủ khoá học các bộ sách: Kết nối tri thức với cuộc sống; Chân trời sáng tạo; Cánh diều. Lộ trình học tập 3 giai đoạn: Học nền tảng lớp 9, Ôn thi vào lớp 10, Luyện Đề. Bứt phá điểm lớp 9, thi vào lớp 10 kết quả cao. Hoàn trả học phí nếu học không hiệu quả. PH/HS tham khảo chi tiết khoá học tại: Link
![]() |
![]() |
![]() |
![]() |
![]() |
![]() |
Hỗ trợ - Hướng dẫn
-
024.7300.7989
-
1800.6947
(Thời gian hỗ trợ từ 7h đến 22h)
Email: lienhe@tuyensinh247.com











