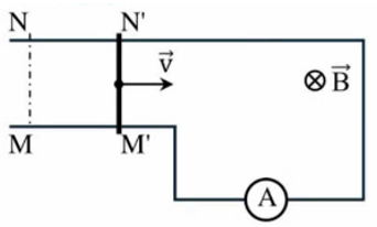
Thanh dẫn MN trượt trong từ trường đều như hình vẽ. Biết B = 0,3T thanh MN dài 40 cm, vận tốc 2
Thanh dẫn MN trượt trong từ trường đều như hình vẽ. Biết B = 0,3T thanh MN dài 40 cm, vận tốc 2 m/s điện kế có điện $R = 3\Omega$. Cường độ dòng điện và chiều của dòng điện trong thanh M’N’ là

Đáp án đúng là: B
Quảng cáo
Áp dụng quy tắc bàn tay phải, công thức tính suất điện động $|e| = Blv$
Công thức tính cường độ dòng điện $I = \dfrac{|e|}{R}$
Đáp án cần chọn là: B
>> 2K9 Chú ý! Lộ Trình Sun 2027 - 1 lộ trình ôn đa kỳ thi (TN THPT, ĐGNL (Hà Nội/ Hồ Chí Minh), ĐGNL Sư Phạm, ĐGTD, ĐGNL Bộ Công an, ĐGNL Bộ Quốc phòngTD - Click xem ngay) tại Tuyensinh247.com. Cập nhật bám sát bộ SGK mới, Thầy Cô giáo giỏi, 3 bước chi tiết: Nền tảng lớp 12; Luyện thi chuyên sâu; Luyện đề đủ dạng đáp ứng mọi kì thi.
![]() |
![]() |
![]() |
![]() |
![]() |
![]() |
![]() |
![]() |
Hỗ trợ - Hướng dẫn
-
024.7300.7989
-
1800.6947
(Thời gian hỗ trợ từ 7h đến 22h)
Email: lienhe@tuyensinh247.com












