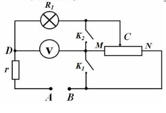
Một học sinh mắc mạch điện như hình vẽ bên gồm: nguồn điện có hiệu điện thế giữa hai
Một học sinh mắc mạch điện như hình vẽ bên gồm: nguồn điện có hiệu điện thế giữa hai đầu $A,B$ không đổi và bằng 24 V; $r = 8\Omega$; biến trở con chạy có điện trở toàn phần $R_{MN} = 18\Omega$; bóng đèn dây tóc có ghi 12 V – 12 W (điện trở $R_{1}$); vôn kế một chiều. Đặt điện trở phần MC của biến trở là $R_{MC} = x$. Cho rằng điện trở dây dẫn, các khóa $K$ là không đáng kể; vôn kế có điện trở vô cùng lớn và điện trở bóng đèn luôn không đổi.

5.1. $K_{1}$ đóng, $K_{2}$ mở.
a) Tính $x$ để đèn sáng bình thường.
b) Tính $x$ để vôn kế có số chỉ lớn nhất.
5.2. $K_{1}$ mở, $K_{2}$ đóng. Thay vôn kế bằng một bóng đèn dây tóc có ghi 12 V – 6 W (điện trở $R_{2}$). Tìm vị trí con chạy $C$ để hai bóng đèn sáng bình thường và so sánh độ sáng của hai bóng đèn khi điều chỉnh vị trí con chạy $C$ từ $N$ đến $M$ (có giải thích).
Quảng cáo
- Vẽ lại và phân tích sơ đồ mạch điện tương đương ứng với từng trường hợp đóng, mở khóa K.
- Lập biểu thức điện trở tương đương của toàn mạch, từ đó sử dụng định luật Ôm để tìm cường độ dòng điện mạch chính và các hiệu điện thế thành phần theo biến $x$.
5.1: Dựa vào điều kiện đèn sáng bình thường để giải phương trình tìm $x$. Biểu diễn số chỉ vôn kế thành một hàm số bậc 2 theo $x$ và tìm cực trị.
5.2: Tính điện trở của mạch khi 2 đèn sáng bình thường để suy ra vị trí con chạy, sau đó so sánh công suất tiêu thụ thực tế của 2 đèn.
>> Học trực tuyến lớp 9 và Lộ trình UP10 trên Tuyensinh247.com Đầy đủ khoá học các bộ sách: Kết nối tri thức với cuộc sống; Chân trời sáng tạo; Cánh diều. Lộ trình học tập 3 giai đoạn: Học nền tảng lớp 9, Ôn thi vào lớp 10, Luyện Đề. Bứt phá điểm lớp 9, thi vào lớp 10 kết quả cao. Hoàn trả học phí nếu học không hiệu quả. PH/HS tham khảo chi tiết khoá học tại: Link
![]() |
![]() |
![]() |
![]() |
![]() |
![]() |
Hỗ trợ - Hướng dẫn
-
024.7300.7989
-
1800.6947
(Thời gian hỗ trợ từ 7h đến 22h)
Email: lienhe@tuyensinh247.com











