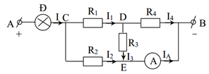
Cho mạch điện như hình vẽ (hình 2). Hiệu điện thế hai đầu mạch điện
Cho mạch điện như hình vẽ (hình 2). Hiệu điện thế hai đầu mạch điện là U = 12V, các điện trở R1 = 4Ω; R4 = 12Ω. Điện trở của ampe kế nhỏ không đáng kể. Trên đèn Đ có ghi 6V – 9W.
a. Biết đèn Đ sáng bình thường và số chỉ của ampe kế là IA = 1,25A. Tìm các giá trị điện trở R2 và R3.
b. Thay ampe kế bằng điện trở R5 thì dòng điện qua R3 bằng 0. Tìm R5 và nhận xét độ sáng của bóng đèn Đ.
Quảng cáo
Định luật Ohm cho đoạn mạch, công thức tính điện trở,cường độ dòng điện, hiệu điện thế trong đoạn mạch mắc nối tiếp.
>> Học trực tuyến lớp 9 và Lộ trình UP10 trên Tuyensinh247.com Đầy đủ khoá học các bộ sách: Kết nối tri thức với cuộc sống; Chân trời sáng tạo; Cánh diều. Lộ trình học tập 3 giai đoạn: Học nền tảng lớp 9, Ôn thi vào lớp 10, Luyện Đề. Bứt phá điểm lớp 9, thi vào lớp 10 kết quả cao. Hoàn trả học phí nếu học không hiệu quả. PH/HS tham khảo chi tiết khoá học tại: Link
![]() |
![]() |
![]() |
![]() |
![]() |
![]() |
Hỗ trợ - Hướng dẫn
-
024.7300.7989
-
1800.6947
(Thời gian hỗ trợ từ 7h đến 22h)
Email: lienhe@tuyensinh247.com










