1. Cho các điện trở: \({R_1} = {R_2} = 1\Omega ;{R_3} = 2;{R_4} = 3\Omega ;{R_5} = 5\Omega \) mắc thành 2
1. Cho các điện trở:
\({R_1} = {R_2} = 1\Omega ;{R_3} = 2;{R_4} = 3\Omega ;{R_5} = 5\Omega \) mắc thành 2 nhánh như hình 3a. Khi thay đổi hiệu điện thế ở hai đầu đoạn mạch ta có các giá trị tương ứng của cường độ dòng điện mỗi nhánh được biểu diễn theo hình 3b.

a. Hãy chỉ ra vị trí các điện trở phù hợp ở mỗi nhánh.
b. Với U = 6V, không thay đổi cấu trúc mạch điện, hãy đổi chỗ các điện trở để công suất tiêu thụ trên toàn mạch lớn nhất. Tính công suất lớn nhất đó.
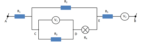
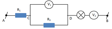
2. Cho mạch điện như hình 4: \({R_1} = {R_5};{R_2} = {R_3} = 20\Omega \) ; hai vôn kế có cùng điện trở \({R_V}\); các dây nối có điện trở không đáng kể. Cung cấp hiệu điện thế U không đổi cho hai đầu mạch điện thì \({R_4}\) là đèn đang tiêu thụ \(\dfrac{1}{4}\)công suất định mức của nó, vôn kế \({V_2}\) chỉ giá trị xác định.
Khi bỏ bớt 2 trong số các điện trở một cách thích hợp thì đèn sáng bình thường, số chỉ \({V_2}\) vẫn không đổi và bằng 5 lần số chỉ \({V_1}\).
Tìm giá trị \({R_1};{R_V};{R_4}.\)

Quảng cáo
>> Học trực tuyến lớp 9 và Lộ trình UP10 trên Tuyensinh247.com Đầy đủ khoá học các bộ sách: Kết nối tri thức với cuộc sống; Chân trời sáng tạo; Cánh diều. Lộ trình học tập 3 giai đoạn: Học nền tảng lớp 9, Ôn thi vào lớp 10, Luyện Đề. Bứt phá điểm lớp 9, thi vào lớp 10 kết quả cao. Hoàn trả học phí nếu học không hiệu quả. PH/HS tham khảo chi tiết khoá học tại: Link
![]() |
![]() |
![]() |
![]() |
![]() |
![]() |
Hỗ trợ - Hướng dẫn
-
024.7300.7989
-
1800.6947
(Thời gian hỗ trợ từ 7h đến 22h)
Email: lienhe@tuyensinh247.com














