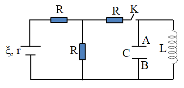
Dùng mạch điện như hình bên để tạo ra dao động điện từ. Ban đầu khóa K đóng, khi dòng
Dùng mạch điện như hình bên để tạo ra dao động điện từ. Ban đầu khóa K đóng, khi dòng điện qua nguồn điện ổn định thì mở khóa K. Biết \(E = 5V;\,\,r = 1\Omega ;\,\,R = 2\Omega \), cuộn dây thuần cảm có độ tự cảm là \(\dfrac{9}{{10\pi }}\,\,mH\), tụ điện có điện dung \(\dfrac{1}{\pi }\,\,\mu F\). Lấy \(e = 1,{6.10^{ - 19}}C\). Trong khoảng thời gian \(10\,\,\mu s\) kể từ thời điểm mở khóa K có bao nhiêu electron đã chuyển đến bản A của tụ điện?

Đáp án đúng là: A
Quảng cáo
Công thức định luật Ôm cho toàn mạch \(I = \dfrac{E}{{{R_N} + r}}\)
Chu kì dao động: \(T = 2\pi \sqrt {LC} \)
Số electron: \(n = \dfrac{{\Delta q}}{e}\)
Đáp án cần chọn là: A
>> 2K9 Chú ý! Lộ Trình Sun 2027 - 1 lộ trình ôn đa kỳ thi (TN THPT, ĐGNL (Hà Nội/ Hồ Chí Minh), ĐGNL Sư Phạm, ĐGTD, ĐGNL Bộ Công an, ĐGNL Bộ Quốc phòngTD - Click xem ngay) tại Tuyensinh247.com. Cập nhật bám sát bộ SGK mới, Thầy Cô giáo giỏi, 3 bước chi tiết: Nền tảng lớp 12; Luyện thi chuyên sâu; Luyện đề đủ dạng đáp ứng mọi kì thi.
![]() |
![]() |
![]() |
![]() |
![]() |
![]() |
![]() |
![]() |
Hỗ trợ - Hướng dẫn
-
024.7300.7989
-
1800.6947
(Thời gian hỗ trợ từ 7h đến 22h)
Email: lienhe@tuyensinh247.com












