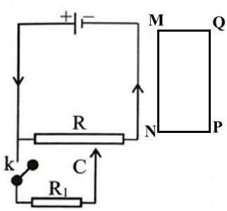
Một khung dây dẫn hình chữ nhật MNPQ đặt trong cùng một mặt phẳng với một
Một khung dây dẫn hình chữ nhật MNPQ đặt trong cùng một mặt phẳng với một mạch điện như hình vẽ. Khoá K đang mở, sau đó đóng lại thì trong khung dây MNPQ

Đáp án đúng là: B
Quảng cáo
+ Sử dụng công thức tính điện trở tương đương của mạch gồm 2 điện trở mắc nối tiếp hoặc song song.
+ So sánh điện trở tương đương khi K đóng và K mở $\Rightarrow$ Nhận xét sự tăng, giảm của cường độ dòng điện.
+ Áp dụng định luật Lenz, áp dụng quy tắc bàn tay phải.
Đáp án cần chọn là: B
>> 2K9 Chú ý! Lộ Trình Sun 2027 - 1 lộ trình ôn đa kỳ thi (TN THPT, ĐGNL (Hà Nội/ Hồ Chí Minh), ĐGNL Sư Phạm, ĐGTD, ĐGNL Bộ Công an, ĐGNL Bộ Quốc phòngTD - Click xem ngay) tại Tuyensinh247.com. Cập nhật bám sát bộ SGK mới, Thầy Cô giáo giỏi, 3 bước chi tiết: Nền tảng lớp 12; Luyện thi chuyên sâu; Luyện đề đủ dạng đáp ứng mọi kì thi.
![]() |
![]() |
![]() |
![]() |
![]() |
![]() |
![]() |
![]() |
Hỗ trợ - Hướng dẫn
-
024.7300.7989
-
1800.6947
(Thời gian hỗ trợ từ 7h đến 22h)
Email: lienhe@tuyensinh247.com













